カタログ・資料
会社案内
お問い合わせ
東栄工業株式会社
プレスブレーキ
シートメタルツール
測定工具
総合案内
ご注文
お問い合わせ
会社案内
カタログ・資料
プレスブレーキ
シートメタルツール
測定工具
総合案内
ご注文
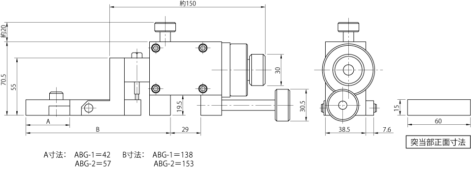
オートバックゲージ突当アッシー
危険とわかっていても、突当の移動を、後ろ側にまわらず前面からしていませんか? 面倒な突き当て移動作業の解消に、増設をおすすめします。
仕様
型式
名称
価格
ABG-1
突当アッシー RG-25~RG-80用(小)
¥48,000
ABG-2
突当アッシー RG-100~RG-125用(大)
¥48,000