ステンレス・アルミ用金型

金型長さ
| 金型種類 | 金型長さ |
| 標準金型 | L=835mm S=415mm |
| K分割 | 10・15・20・30・50・75・100・300・100(左突起)・100(右突起)=800mm 【10分割】 |
| A分割 | 10・15・20・40・50・165・300・100(左突起)・100(右突起)=800mm 【9分割】 |
| S分割 | 10・15・20・40・50・75・175=385mm 【7分割】 |
| L分割 | 10・15・20・40・50・100・200・365=800mm 【8分割】 |
掲載されていないものについてはお問い合わせください。
パンチのクランプ形状について
パンチのクランプ形状はすべて標準タイプ(ミゾなし)で出荷しています。
アイクランプタイプ・スマートクランプタイプ、落下防止タイプのクランプ形状をご希望の場合、ご注文時に指定してください。
※別途追加料金がかかります。
| クランプ形状 | 標準タイプ | アイクランプタイプ スマートクランプタイプ | 落下防止タイプ |
| 形状図 | ![]() | ![]() | ![]() |
| 追加料金 L835 | - | 25,000 | 12,860 |
| 追加料金 S415 | - | 15,000 | 8,670 |
| 型番 | GN0284A | GN1084A | GN2084A | GN0284T | GN1084T | GN2084T | |
| 角度 | 84 | 84 | 84 | 84 | 84 | 84 | |
| 断面形状 | ![]() |
![]() |
![]() |
![]() |
![]() |
![]() |
|
| 型番 | 1V0684A | 1V0884A | 1V1084A | 1V1284A | |
| 角度 | 84 | 84 | 84 | 84 | |
| 断面形状 | ![]() |
![]() |
![]() |
![]() |
|
| 型番 | 2V061084AB2 | 2V081484AB2 | 2V121684AB2 | |
| 角度 | 84 | 84 | 84 | |
| 断面形状 | ![]() |
![]() |
![]() |
|
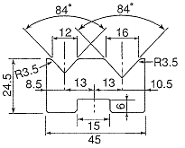
| 型番 | 2V061084AB3 | 2V081484AB3 | 2V121684AB3 | |
| 角度 | 84 | 84 | 84 | |
| 断面形状 | ![]() |
![]() |
![]() |
|
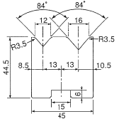
| 型番 | 2V061084AB4 | 2V081484AB4 | 2V121684AB4 | |
| 角度 | 84 | 84 | 84 | |
| 断面形状 | ![]() |
![]() |
![]() |
|
東栄工業株式会社




















