ダイ各種(標準・鋭角・ウレタンパッド・ダイベース・ヘミング)

金型長さ
一本ものは2500mmまで製作可能。
| 金型種類 | 金型長さ |
| 標準金型 | L=835mm S=415mm |
| L分割 | 10・15・20・40・50・100・200・365=800mm 【8分割】 |
| S分割 | 10・15・20・40・50・75・175=385mm 【7分割】 |
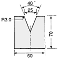
標準1Vダイ
掲載されていないものについてはお問い合わせください。
| 型番 | 1V04C | 1V048A | 1V06C | 1V068A | 1V08C | 1V088A | |
| 角度 | 90 | 88 | 90 | 88 | 90 | 88 | |
| 断面形状 | ![]() |
![]() |
![]() |
![]() |
![]() |
![]() |
|
| 型番 | 1V10C | 1V108A | 1V12C | 1V128A | 1V16C | 1V168A | |
| 角度 | 90 | 88 | 90 | 88 | 90 | 88 | |
| 断面形状 | ![]() |
![]() |
![]() |
![]() |
![]() |
![]() |
|
| 型番 | 1V04FCB | 1V04FAB | 1V06FCB | 1V06FAB | 1V08FCB | 1V08FAB | |
| 角度 | 90 | 88 | 90 | 88 | 90 | 88 | |
| 断面形状 | ![]() |
![]() |
![]() |
![]() |
![]() |
![]() |
|
| 型番 | 1V04CB | 1V048AB | 1V06CB | 1V068AB | 1V08CB | 1V088AB | |
| 角度 | 90 | 88 | 90 | 88 | 90 | 88 | |
| 断面形状 | ![]() |
![]() |
![]() |
![]() |
![]() |
![]() |
|
| 型番 | 1V10CB | 1V108AB | 1V12CB | 1V128AB | 1V14CB | 1V148AB | |
| 角度 | 90 | 88 | 90 | 88 | 90 | 88 | |
| 断面形状 | ![]() |
![]() |
![]() |
![]() |
![]() |
![]() |
|
| 型番 | 1V16CB | 1V168AB | 1V208AB | 1V258AB | |
| 角度 | 90 | 88 | 88 | 88 | |
| 断面形状 | ![]() |
![]() |
![]() |
![]() |
|
| 型番 | 1V325DB | 1V365DB | 1V405DB | |
| 角度 | 85 | 85 | 85 | |
| 断面形状 | ![]() |
![]() |
![]() |
|
| 型番 | 1V25 | 1V32 | 1V40 | 1V50 | |
| 角度 | 85 | 85 | 85 | 85 | |
| 断面形状 | ![]() |
![]() |
![]() |
![]() |
|
| 型番 | 1V63 | 1V80 | 1V100 | 1V125 | |
| 角度 | 85 | 85 | 85 | 85 | |
| 断面形状 | ![]() |
![]() |
![]() |
![]() |
|
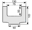
標準2Vダイ
掲載されていないものについてはお問い合わせください。
| 型番 | 2V0407C (90°) 2V04078A (88°) |
2V0610C (90°) 2V06108A (88°) |
2V0812C (90°) 2V08128A (88°) |
2V1220C (90°) 2V12208A (88°) |
|
| 断面形状 | ![]() |
![]() |
![]() |
![]() |
|
| 型番 | 2V1625C (90°) 2V16258A (88°) |
2V0610CB2 (90°) 2V06108AB2 (88°) |
2V0812CB2 (90°) 2V08128AB2 (88°) |
2V1016CB2 (90°) 2V10168AB2 (88°) |
|
| 断面形状 | ![]() |
![]() |
![]() |
![]() |
|
| 型番 | 2V12208AB2 (88°) | 2V14188AB2 (88°) | 2V0610CB3 (90°) 2V06108AB3 (88°) |
2V0812CB3 (90°) 2V08128AB3 (88°) |
|
| 断面形状 | ![]() |
![]() |
![]() |
![]() |
|
| 型番 | 2V1016CB3 (90°) 2V10168AB3 (88°) |
2V12208AB3 (88°) | 2V14188AB3 (88°) | 2V16258AB3 (88°) | |
| 断面形状 | ![]() |
![]() |
![]() |
![]() |
|
| 型番 | 2V0610CB4 (90°) 2V06108AB4 (88°) |
2V0812CB4 (90°) 2V08128AB4 (88°) |
2V1016CB4 (90°) 2V10168AB4 (88°) |
2V12208AB4 (88°) | |
| 断面形状 | ![]() |
![]() |
![]() |
![]() |
|
| 型番 | 2V14188AB4 (88°) | 2V16258AB4 (88°) | |
| 断面形状 | ![]() |
![]() |
|
標準1Vダイ | 標準2Vダイ | 鋭角ダイ | ウレタンパッド・リテーナ・ダイベース | ヘミングダイ
鋭角1Vダイ
掲載されていないものについてはお問い合わせください。
| 型番 | 1V0630P | 1V0830P | 1V1030P | 1V1230P | 1V1645P | 1V2045P | |
| 角度 | 30 | 30 | 30 | 45 | 45 | 45 | |
| 断面形状 | ![]() |
![]() |
![]() |
![]() |
![]() |
![]() |
|
| 型番 | 1V0830PB | 1V1030PB | 1V1230PB | 1V1645PB | 1V2045PB | 1V3245PB | |
| 角度 | 30 | 30 | 30 | 45 | 45 | 45 | |
| 断面形状 | ![]() |
![]() |
![]() |
![]() |
![]() |
![]() |
|
| 型番 | 1V4045PB | 1VA16 | 1VA25 | |
| 角度 | 45 | 40 | 40 | |
| 断面形状 | ![]() |
![]() |
![]() |
|
鋭角2Vダイ
| 型番 | 2V0608P-2 | 2V1012P-2 | 2V1620P | |
| 角度 | 30 | 30 | 45 | |
| 断面形状 | ![]() |
![]() |
![]() |
|
| 型番 | 2V0608PB-2 | 2V1012PB-2 | 2V1620PB | |
| 角度 | 30 | 30 | 45 | |
| 断面形状 | ![]() |
![]() |
![]() |
|
ウレタンパッド・リテーナ
掲載されていないものについてはお問い合わせください。
| 型番 | UP5030 | UPR5030 | UP7530 | UPR7530 | UP5050 | UPR5050 | UP7550 | UPR7550 | |
| 断面形状 | ![]() |
![]() |
![]() |
![]() |
![]() |
![]() |
![]() |
![]() |
|
ダイベース
| 型番 | DHA | DHB | DHC | DHD | DHR1 | |
| 断面形状 | ![]() |
![]() |
![]() |
![]() |
![]() |
|
| 型番 | DHR2-35 | DHR2-50 | 1VHA | 1VHB-2 | 1VHC | |
| 断面形状 | ![]() |
![]() |
![]() |
![]() |
![]() |
|
ヘミングダイ
掲載されていないものについてはお問い合わせください。
| 型番 | HM1V08S | HM1V12S | |
| 角度 | 30 | 30 | |
| 断面形状 | ![]() |
![]() |
|
| 型番 | FHM1V06 | FHM1V08 | FHM1V12 | FHM1V06-H | FHM1V08-H | |
| 角度 | 30 | 30 | 30 | 30 | 30 | |
| 断面形状 | ![]() |
![]() |
![]() |
![]() |
![]() |
|
標準パンチ・ラジアスパンチ
ダイ各種(標準・鋭角・ウレタンパッド・ダイベース・ヘミング)
ステンレス・アルミ用金型
ベンディング・アイ金型
特殊金型
東栄工業株式会社















































































































