先端R0.7以下の30°パンチをご使用ください。
パンチ先端Rが摩耗などで大きくなっていると、パンチにVミゾが喰いつき金型やダイホルダーが持ち上がって脱落するおそれがあり、大変危険です。 また、R0.7以下のパンチを使用する場合でも、安全のため必ず本体をスライド(テーブル)にしっかり固定してください。
先端R0.7以下の30°パンチであっても、ヘミングパンチ以外は使用できません。 ヘミング加工には耐圧が不足しており、パさらにンチにVミゾが喰いつくことで金型やダイホルダーが持ち上がり、脱落して大変危険です。
| 材質 | ステンレス(SUS304) t2.0 |
|---|---|
| 使用金型 | フェザーヘミング厚板リバーシブル式 V12 L=415mm |
| 第1工程 | 30°曲げ、加工圧力20Ton/M |
| 第2工程 | オープンヘミング、加工圧力67Ton/M |
オープンヘミングの必要圧力は67Ton/Mで、使用フェザーヘミングの保証耐圧内に収まるため加工可能です。
タイトヘミングは130Ton/Mの加圧が必要となり、金型の保証耐圧を超えるため、加工できません。
| 板厚t1.6の場合 | |
|---|---|
| 標準タイプ | 10.5mm min. |
| 高ハイトタイプ | 8.5mm min. |
| 板厚t2.3の場合 | |
|---|---|
| 厚板タイプ | 16.0mm min. |
アマダ、コマツ、東洋工機、相澤鐵工所、日清紡、ヤマザキマザック、村田機械
| サイズ | 金型長さ |
|---|---|
| L835 | 835mm |
| S415 | 415mm |
| 8分割 | 45・50・50・55・60・65・70・75=計470mm(470mm÷8) |
| 11分割 | 50・55・60・65・70・75・80・85・90・95・100=計825mm(825mm÷11) |
フェザーヘミング使用時に発生する曲げキズの予防対策として、Vミゾの肩Rを大きくする、またはハードクロームメッキ加工の特殊対応を行っています。金型お問い合わせの際に、あわせてご相談ください。
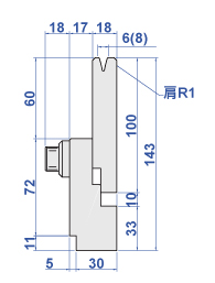
分割1VダイホルダーR
油圧1Vダイホルダー
FEAT(フィート)AFHダイホルダー
※旧タイプの1VダイホルダーNo.080(L=1050mm)、No.081(L=1260mm)には取付不可
第1工程=55ton/m
第2工程=100ton/m
| V角度 | V幅 | 板厚MAX |
|---|---|---|
| 30° | 10 | SPCC=2.0mm SUS=1.5mm |
| 30° | 12 | SPCC=2.3mm SUS=1.5mm |
| サイズ | 重量 | |
|---|---|---|
| L835 | 19kg | |
| S415 | 10kg | |
| 8分割 | 11kg | |
| 11分割 | 19kg |
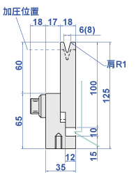
分割1VダイホルダーR
油圧1Vダイホルダー
FEAT(フィート)AFHダイホルダー
※旧タイプの1VダイホルダーNo.080(L=1050mm)、No.081(L=1260mm)には取付不可
第1工程=50ton/m
第2工程=80ton/m
| V角度 | V幅 | 板厚MAX |
|---|---|---|
| 30° | 6 | SPCC=1.2mm SUS=1.0mm |
| 30° | 8 | SPCC=1.6mm SUS=1.2mm |
| サイズ | 重量 | |
|---|---|---|
| L835 | 16kg | |
| S415 | 8kg | |
| 8分割 | 9kg | |
| 11分割 | 16kg |
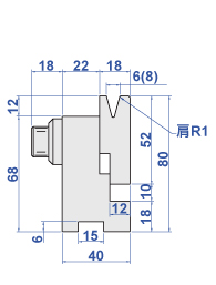
分割1VダイホルダーR
油圧1Vダイホルダー
FEAT(フィート)AFHダイホルダー
※旧タイプの1VダイホルダーNo.080(L=1050mm)、No.081(L=1260mm)には取付不可
第1工程=50ton/m
第2工程=80ton/m
| V角度 | V幅 | 板厚MAX |
|---|---|---|
| 30° | 6 | SPCC=1.2mm SUS=1.0mm |
| 30° | 8 | SPCC=1.6mm SUS=1.2mm |
| サイズ | 重量 | |
|---|---|---|
| L835 | 19kg | |
| S415 | 11kg | |
| 8分割 | 12kg | |
| 11分割 | 19kg |
2Vダイホルダー(取り付けボルトM8-ピッチ209mm)
第1工程=50ton/m
第2工程=80ton/m
| V角度 | V幅 | 板厚MAX |
|---|---|---|
| 30° | 6 | SPCC=1.2mm SUS=1.0mm |
| 30° | 8 | SPCC=1.6mm SUS=1.2mm |
| サイズ | 重量 | |
|---|---|---|
| L835 | 15kg | |
| S415 | 8kg |
2Vダイホルダー(取り付けボルトM8-ピッチ209mm)
第1工程=50ton/m
第2工程=80ton/m
| V角度 | V幅 | 板厚MAX |
|---|---|---|
| 30° | 6 | SPCC=1.2mm SUS=1.0mm |
| 30° | 8 | SPCC=1.6mm SUS=1.2mm |
| サイズ | 重量 | |
|---|---|---|
| L835 | 21kg | |
| S415 | 11kg |
2Vダイホルダー(取り付けボルトM8-ピッチ209mm)
第1工程=55ton/m
第2工程=100ton/m
| V角度 | V幅 | 板厚MAX |
|---|---|---|
| 30° | 10 | SPCC=2.0mm SUS=1.5mm |
| 30° | 12 | SPCC=2.3mm SUS=1.5mm |
| サイズ | 重量 | |
|---|---|---|
| L835 | 18kg | |
| S415 | 9kg |
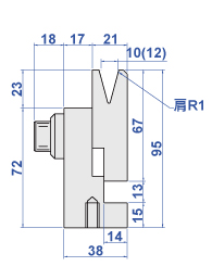
2Vダイレール(アマダ型番No.300 コマツ型番No.814、815、816)
第1工程=50ton/m
第2工程=80ton/m
| V角度 | V幅 | 板厚MAX |
|---|---|---|
| 30° | 6 | SPCC=1.2mm SUS=1.0mm |
| 30° | 8 | SPCC=1.6mm SUS=1.2mm |
| サイズ | 重量 | |
|---|---|---|
| L835 | 18kg | |
| S415 | 9kg | |
| 8分割 | 10kg | |
| 11分割 | 18kg |
第1工程=50ton/m
第2工程=80ton/m
| V角度 | V幅 | 板厚MAX |
|---|---|---|
| 30° | 6 | SPCC=1.2mm SUS=1.0mm |
| 30° | 8 | SPCC=1.6mm SUS=1.2mm |
| サイズ | ||
|---|---|---|
| L835 | ||
| S415 | ||
| 8分割 | ||
| 11分割 |
第1工程=50ton/m
第2工程=80ton/m
| V角度 | V幅 | 板厚MAX |
|---|---|---|
| 30° | 6 | SPCC=1.2mm SUS=1.0mm |
| 30° | 8 | SPCC=1.6mm SUS=1.2mm |
| サイズ | ||
|---|---|---|
| L835 | ||
| S415 | ||
| 8分割 | ||
| 11分割 |
第1工程=55ton/m
第2工程=100ton/m
| V角度 | V幅 | 板厚MAX |
|---|---|---|
| 30° | 10 | SPCC=2.0mm SUS=1.5mm |
| 30° | 12 | SPCC=2.3mm SUS=1.5mm |
| サイズ | ||
|---|---|---|
| L835 | ||
| S415 | ||
| 8分割 | ||
| 11分割 |